• О предприятии
  • Контакты
    • Место нахождения
    • Обратная связь
  • Продукция
    • Изоляторы опорные
    • Изоляторы проходные
    • Изоляторы опорно-стержневые
    • Изоляторы для электротранспорта
    • Изоляторы штыревые
    • Разрядники
    • Трубка для высоковольтных предохранителей ТРФ, сердечник ИФРГ
    • Предохранители ПКТ-10кВ ПКТ-6кВ
  • Документация
    • Сертификаты
ООО «Митроль»

Производство керамических электроизоляторов и разрядников
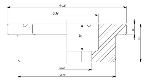
ИПТВ-1/1000 01

Все изоляторы » Изоляторы проходные

Чертеж изолятора:


  • Номинальное напряжение: 1 кВ
  • Номинальный ток: 1000 А
  • Масса: 0,45 кг

Контакты: тел./факс (0626) 41-41-64, 41-13-13.